好色直播下载,好色先生污污版,好色先生TV成人,好色先生TV下载安卓

    好色直播下载工业好色先生污污版厂家专业生产工业好色先生污污版,家用好色先生污污版,商用好色先生污污版等产品,欢迎来电咨询定制。 公司简介 | 研发团队 | 网站地图 | xml地图
    好色直播下载-精芯除湿·致净生活环境温度湿度系统化好色先生TV成人供应商
    全国咨询热线:133-6050-3273
    您的位置:好色先生TV下载安卓 > 行业动态 > 全面简析风冷模块机组(原理、结构、热回收及安装要点)

    全面简析风冷模块机组(原理、结构、热回收及安装要点)

    作者:CEO 时间:2022-07-27

    信息摘要:风冷模块机组的主要特点1、是以空气为冷(热)源,以水为供冷(热)介质的中央空调机组,即冷凝器为翅片式换热器,蒸发器为水氟换热应用的换热器,如套管、壳管及板式换热器等。v2、作为冷热源兼用型的一体化设备,风冷热泵省却了冷却塔、冷却水泵、锅炉以及相应管道系统等多种辅件,系统结构简单,安装空间节省,维护管理方便而且节约能源,尤其适用于水源

    全面简析风冷模块机组(原理、结构、热回收及安装要点)

    全面简析风冷模块机组(原理、结构、热回收及安装要点)

      风冷模块机组的主要特点

      1、是以空气为冷(热)源,以水为供冷(热)介质的中央空调机组,即冷凝器为翅片式换热器,蒸发器为水氟换热应用的换热器,如套管、壳管及板式换热器等。

      v2、作为冷热源兼用型的一体化设备,风冷热泵省却了冷却塔、冷却水泵、锅炉以及相应管道系统等多种辅件,系统结构简单,安装空间节省,维护管理方便而且节约能源,尤其适用于水源缺乏区域。

      3、风冷热泵机组通常是许多冬冷夏热,既无供热锅炉,又无供热热网,或热网供热时间短、不稳定,要求全年空调的暖通工程设计中优先选用的有效补充。

      4、其与风机盘管、空调箱等末端装置所组成的集中、半集中式中央空调系统具有布置灵活、控制方式多样等优点。

      机组工作原理

      制冷模式

      工业好色先生污污版厂家

      压缩机排出的制冷剂高温气体在风侧换热器中冷凝成液体,经节流装置节流降压,进入水侧换热器,吸收热量蒸发后回到压缩机,完成一个制冷循环;同时,从室内来的空调用水经过水侧换热器后被冷却降温。

      制热模式

      工业好色先生污污版厂家

      压缩机排出的制冷剂高温气体在水侧换热器中冷凝成液体,经节流装置节流降压,进入风侧换热器,吸收热量蒸发后回到压缩机,完成一个制热循环;同时,从室内来的空调用水经过水侧换热器后被加热升温。

      机组一般结构及配置特点

      工业好色先生污污版厂家

      

      涡旋压缩机

      工业好色先生污污版厂家

      

      涡旋压缩机具有体积小、重量轻、效率高、振动与操作低、运行可靠、加工精度要求高等特点。

      换热器

      工业好色先生污污版厂家

      

      双系统板式换热器:每个制冷剂回路都与水回路相邻,部分负荷时冻冰风险大为降低。部分负荷时传热温差增加20%,COP增大4%。

      工业好色先生污污版厂家

      套管式换热器:制冷剂在换热管内强制对流沸腾并冷却管壁,循环水在管束外强制对流并加热管壁,两种介质通过换热管壁传热。

      工业好色先生污污版厂家

      风冷翅片换热器:采用优质铜管与由亲水膜材料制成的强化铝翅片经涨管机涨管而成。管片结合紧密,传热效率高;运行维护、清洁方便。

      四通换向阀

      工业好色先生污污版厂家

      

      四通换向阀是一种两进两出的特殊电磁阀,用于压缩式热泵系统供暖与制冷工况转换。当热泵从制冷工况转为供暖工况时,四通换向阀动作(转到供暖工况位置),于是室内蒸发器作为冷凝器用,压缩机排出的高温制冷剂蒸汽经四通流入室内蒸发器(此时作冷凝器用),而冷凝器则成为蒸发器,完成工况转换。

      节流阀

      工业好色先生污污版厂家

      

      热力膨胀阀:是调节进入蒸发器中挥发性制冷剂流量的控制机构。具有的作用:节流降压、控制流量、控制过热度。

      工业好色先生污污版厂家

      电子膨胀阀是按照预设程序调节蒸发器供液量,因属于电子式调节模式,故称为电子膨胀阀。对于热力膨胀阀,当环境温度较低,其感温包内部的感温介质的压力变化大大减小,严重影响了调节性能。而对于电子膨胀阀,其感温部件为热电偶或热电阻,它们在低温下同样能准确反应出过热度的变化。因此,在冷藏库的冻结间等低温环境中,电子膨胀阀也能提供较好的流量调节。

      电磁阀

      工业好色先生污污版厂家

      防止液击

      干燥过滤器

      工业好色先生污污版厂家

      机组系统的清洁卫士

      视液镜

      工业好色先生污污版厂家

      均液器

      工业好色先生污污版厂家

      平均分配制冷剂

      过滤器

      工业好色先生污污版厂家

      有效改善水质条件

      水流开关

      工业好色先生污污版厂家

      有效改善水流条件,合适的水流量是空调主机可靠工作的必要保证。

      控制器

      工业好色先生污污版厂家

      安全保护、远程控制等功能。

      几种换热器比较

      工业好色先生污污版厂家

      机组设计安装及应用

      设备选型(估算)

      通常根据制冷负荷估算:房间制冷量=单位负荷指标×房间面积

      工业好色先生污污版厂家

      根据计算负荷、进出水温度、环境温度等值查选样本选择能满足条件的机型!(条件需要重点考虑)

      水系统形式及对比

      水系统形式一般有:同程式、异程式、混合式。

      工业好色先生污污版厂家

      同程式连接示意图

      工业好色先生污污版厂家

      异程式连接示意图

      工业好色先生污污版厂家

      

      混合式连接示意图

      工业好色先生污污版厂家

      

      水泵的选择与水系统配件

      所谓水泵的选取计算其实就是估算(很多计算公式本身就是估算的),估算分的细致些考虑的内容全面些就是精确的计算。暖通南社在推送的课件中多次提到。

      水泵扬程简易估算法:

      Hmax=△P1+△P2+0.05L(1+K)

      △P1为冷水机组蒸发器的水压降。

      △P2为该环中并联的各占空调未端装置的水压损失最大的一台的水压降。

      L为该最不利环路的管长。

      K为最不利环路中局部阻力当量长度总和和与直管总长的比值,当最不利环路较长时K值取0.2~0.3,最不利环路较短时K值取0.4~0.6。

      水流量计算

      1、冷却水流量:一般按照产品样本提供数值选取,或按照如下公式进行计算,公式中的Q为制冷主机制冷量:

      L(m3/h)=[Q(kW)/(4.5~5)℃x1.163]×(1.15~1.2)

      2、冷冻水流量:在没有考虑同时使用率的情况下选定的机组,可根据产品样本提供的数值选用或根据如下公式进行计算。如果考虑了同时使用率,建议用如下公式进行计算。公式中的Q为建筑没有考虑同时使用率情况下的总冷负荷。

      L(m3/h)=Q(kW)/(4.5~5)℃×1.163

      3、冷却水补水量一般1为冷却水循环水量的1~1.6%。

      水系统配件

      工业好色先生污污版厂家

      工业好色先生污污版厂家

      安装方式与安装空间

      安装方式及优缺点

      工业好色先生污污版厂家

      工业好色先生污污版厂家

      安装空间

      工业好色先生污污版厂家

      热回收模块水管路安装示意图

      工业好色先生污污版厂家

      工业好色先生污污版厂家

      工业好色先生污污版厂家

      工业好色先生污污版厂家

      工业好色先生污污版厂家

      工业好色先生污污版厂家

      热回收概念及其形式

      关于风冷热回收,暖通南社在相关课件多次提到。这里简单阐述下。

      热回收概念

      如下图,在lgP-H图中

      2点到5点的过程为整个冷凝过程

      2点到3点是制冷剂的过热段显热放热过程

      3点到4点是制冷剂的潜热放热过程

      4点到5点是制冷剂的过冷段显热放热过程

      工业好色先生污污版厂家

      部分热回收指部分利用制冷剂的冷凝热加热生活用水,水温高于冷凝温度(上图2—3过程);

      全部热回收指制冷剂过热蒸气冷却、冷凝和过冷,冷凝热全部回收加热生活用水,水温低于冷凝温度(上图2—5过程)。

      部分热回收:只利用压缩机出口蒸汽显热,蒸汽显热一般占全部冷凝热的15﹪左右,其它的冷凝热在冷凝器中被风机带走;

      全热回收:利用全部的冷凝热。

      工业好色先生污污版厂家

      工业好色先生污污版厂家

      机组热回收内部结构与特点

      工业好色先生污污版厂家

      机组热回收内部结构与特点

      风冷热泵全热回收—制冷

      此时与普通风冷冷水机组一样使用,提供空调用冷冻水。制冷剂直接流入风冷冷凝器冷凝。

      工业好色先生污污版厂家

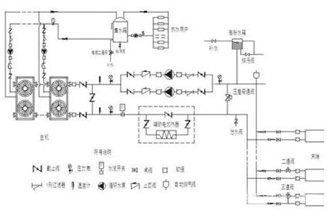
      风冷热泵全热回收—制冷+热回收

      高温高压的制冷剂直接从压缩机至热回收器,机组在提供7℃冻水的同时又提供55℃生活热水。COP极高,最节能。

      工业好色先生污污版厂家

      风冷热泵全热回收置—空调制热

      此时与普通风冷热泵机组一样使用,提供空调用热水。制冷剂直接流入水侧换热器,从空气中吸取热量。

      工业好色先生污污版厂家

    声明:本站部分内容和图片来源于互联网,经本站整理和编辑,版权归原作者所有,本站转载出于传递更多信息、交流和学习之目的,不做商用不拥有所有权,不承担相关法律责任。若有来源标注存在错误或侵犯到您的权益,烦请告知网站管理员,将于第一时间整改处理。管理员邮箱:y569#qq.com(#改@)
    在线客服
    联系方式

    热线电话

    133-6050-3273

    上班时间

    周一到周六

    公司电话

    133-6050-3273

    二维码
    线
    网站地图